
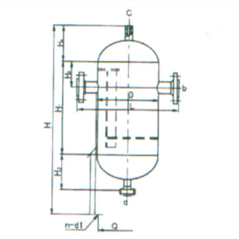
Фильтр с обратной промывкой состоит из корпуса, множества фильтрующих элементов, механизма обратной промывки, редуктора, электрических клапанов и дифференциального контроллера. Внутренняя полость корпуса разделена горизонтальной перегородкой на верхнюю и нижнюю камеры.
Фильтр с обратной промывкой состоит из корпуса, множества фильтрующих элементов, механизма обратной промывки, редуктора, электрических клапанов и дифференциального контроллера. Внутренняя полость корпуса разделена горизонтальной перегородкой на верхнюю и нижнюю камеры. В верхней камере расположены несколько фильтрующих элементов, что позволяет эффективно использовать фильтрующее пространство и значительно сократить объём фильтра. В нижней камере установлен всасывающий диск для обратной промывки. Во время работы жидкость поступает через входное отверстие в нижнюю камеру фильтра, затем через отверстия в перегородке попадает во внутреннюю полость фильтрующих элементов. Примеси, размер которых превышает зазоры фильтрующих элементов, задерживаются, а очищенная жидкость проходит через зазоры в верхнюю камеру и, наконец, выводится через выходное отверстие.
Использование высокопрочной клиновидной фильтрующей сетки Johnson обеспечивает более эффективную обратную промывку. Очистка фильтрующих элементов осуществляется автоматически по сигналу дифференциального контроллера или по таймеру. Когда на поверхности фильтрующих элементов накапливаются загрязнения, вызывая увеличение перепада давления на входе и выходе до заданного значения, или когда таймер достигает предустановленного времени, электрический шкаф управления подаёт сигнал, активирующий механизм обратной промывки. Когда всасывающий диск обратной промывки выравнивается с входным отверстием фильтрующего элемента, открывается сливной клапан, и система сбрасывает давление, осуществляя дренаж. В зоне контакта между всасывающим диском и внутренней стороной фильтрующего элемента создаётся область отрицательного давления, где относительное давление становится ниже давления жидкости с внешней стороны фильтрующего элемента. Это заставляет часть очищенной циркулирующей воды поступать с внешней стороны фильтрующего элемента на его внутреннюю сторону. Частицы загрязнений, адсорбированные на внутренней стенке фильтрующего элемента, уносятся потоком воды во всасывающий диск и выводятся через сливной клапан. Специально разработанная сетка Johnson создаёт эффект струйного напора внутри фильтрующего элемента, смывая любые загрязнения с гладкой внутренней поверхности. Когда перепад давления на входе и выходе фильтра возвращается к нормальному значению или истекает заданное время на таймере, электродвигатель останавливается, а электрический сливной клапан закрывается. В течение всего процесса поток материала не прерывается, а расход воды на обратную промывку является минимальным, что обеспечивает непрерывное и автоматизированное производство.