
ООО Сычуань Майкэ Машиностроение (Sichuan Maike Machinery Manufacturing Co., Ltd.) — это специализированное предприятие, посвятившее себя научным исследованиям, проектированию, производству и продаже оборудования, включая статические смесители, трубопроводные фильтры, фильтры тонкой очистки, смотровые стёкла, огнепреградители, глушители, пробоотборники, эжекторы и устройства для промывки глаз. Компания прошла сертификацию систем менеджмента по стандартам ISO 9001, ISO 14001 и ISO 45001.
Подробнее
Полная квалификация и надежные производственные возможности
Широкий ассортимент продукции для различных областей применения.
Устоявшееся присутствие на рынке, подкрепленное надежным качеством обслуживания
Мы всегда рады вашим запросам. Наша профессиональная команда готова ответить на ваши вопросы, предоставить продукцию премиум-класса и обеспечить внимательное обслуживание. Мы с нетерпением ждем возможности работать с вами.
Связаться с нами
Под эгидой политики Национального комитета по развитию и реформам «О наращивании усилий по расширению масштабов обновления оборудования и реализации программы трейд-ин для потребительских товаров в 2025 году», отрасль производства специализированн...
Подробнее
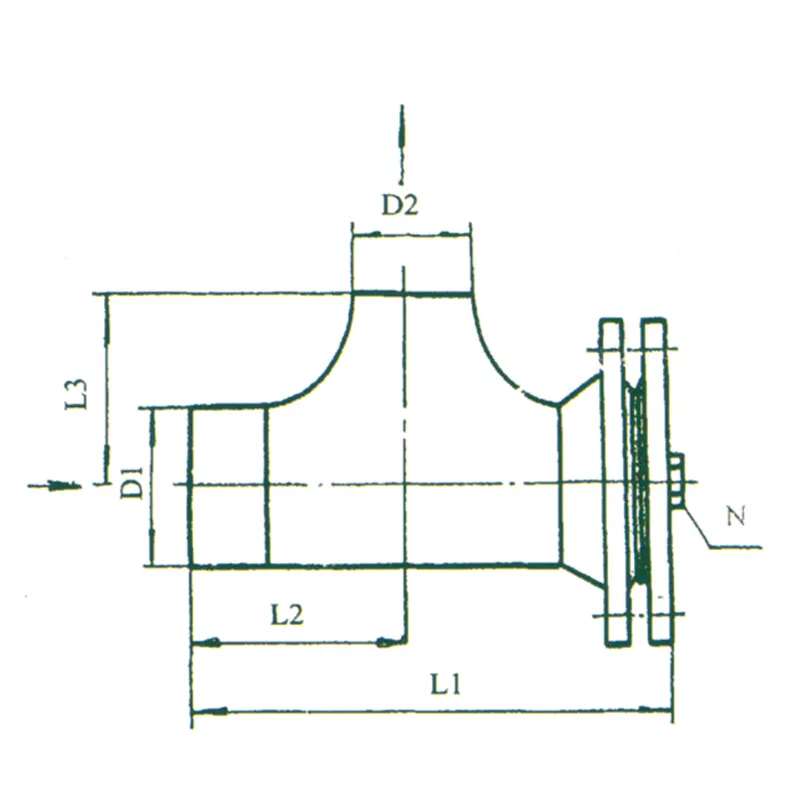
Являясь важной частью основной серии фильтрационного оборудования компании ООО Сычуань Майкэ Машиностроение, Т-образный фильтр с фланцевым соединением, благодаря своим ключевым преимуществам — «эффективному улавливанию, удобству обслуживания и ста...
Подробнее
Статические смесители являются одной из семи основных линеек продукции компании. Опираясь на 17-летний опыт производства специализированного оборудования и собственные технологии исследований и разработок, статические смесители ООО Сычуань Майкэ М...
Подробнее